|
●油位传感器支持油位计和水位计。适用于油箱、水箱和任何不含杂质的液体,用于船舶、卡车、汽车和船只等。
r● 产品作用:燃油、水、化学药剂液体箱中液位测量
r● 产品结构简单,测量精准,使用寿命长,具有良好的抗震能力和防腐蚀能力,输出信号稳定,通用款式,适用各种材质油箱。
r● 产品材质:油位发送单元由 316 或304不锈钢制成,具有抗震、防爆功能,经久耐用,使用寿命长。
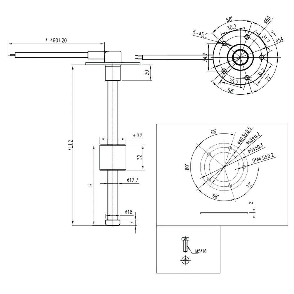
r● 安装方式:传感器是标准的 SAE 5 孔型。红棕色线为正极,蓝色为负极。易于安装和连接。
r● 输出信号:默认传感器电阻输出0-190Ω、240-33Ω
r● 工作温度:-40度—+85度
r● 可生产100MM至3000MM之间任意尺寸,信号可根据客户要求做
r● 包装内含:1 个液位传感器、5 个 M5*16 安装螺丝、1 个 2 毫米 NBR 垫圈和接线安装说明。
r产品图纸
r



接线示意图

东莞市众创电子机械有限公司是一家专业生产,液位传感器,传感器仪表,的源头工厂,供货稳定,质量保证。公司位于东莞市 常平镇 白石岗市场路 华基工业园,交通便利,欢迎看厂。
rr
公司采用日本进口干簧管 不锈钢材料304/316,浮筒材质 NBR 环保材料以及不锈钢浮桶,多种选择
rr
东莞市众创电子机械有限公司
r地址:东莞市 常平镇 白石岗市场路 华基工业园A栋
r
价格:向品在花生壳b2b外贸信息平台的展示标价,县体的成文价情可能因向品参加活动考情况发生变化,也可能随者购买数量不同或所选规信不同而发生变化,如用户与向家线下达成协议,以线下协议的结算价格为准,如用户在花生壳b2b外贸信息平台上完成线上购买,则最终以订单结算页价格为准。
抢购价:商品参与营销活动的活动价格,也可能随着购买数量不同或所选规格不同而发生变化,最终以订单结算页价格为准。
特别提示:商品详情页中(含主图)以文字或者图片形式标注的抢购价等价格可能是在特定活动时段下的价格,商品的具体价格以订单结算页价格为准或言是您与商家联系后协商达成的实际成交价格为准;如您发现活动商品价格或活动信息有异常,建议购买前先咨询商家。