在工业运动控制、物联网终端、车载以太网等各类场景中,以太网PHY芯片是连接MAC层与物理传输网线的核心枢纽,其信号驱动类型直接决定了设备的抗干扰能力、功耗表现、硬件设计复杂度与长期运行稳定性。市面上主流PHY芯片主要分为电流型和电压型两大类,看似仅信号传输载体存在差异,实则二者在底层工作原理、硬件电路设计、实际适用场景等方面有着本质区别。本文将从核心差异切入,解析严苛工况下电流型PHY更具优势的原因,同时揭秘国产电流型PHY代表产品——FCP114X系列的硬核技术实力。
一、电流型与电压型PHY的核心区别
PHY的本质是完成数字信号与物理传输信号的转换,两类芯片的分歧,根源在于信号驱动载体和工作逻辑不同,进而延伸出性能、设计、成本的全方位差异。
1.工作原理差异
电流型与电压型PHY的本质区别,体现在信号驱动机制上:
·电流型依赖外部电压源驱动信号电流,通过电流变化表示数据。
·电压型内部直接输出电压信号,通过电压变化表示数据。
(1)电流驱动型(Current-Mode Driver):
电流型PHY芯片内部等效为恒流源,可输出预设恒定电流。该类型芯片需要外部提供偏置电压(通常通过网络变压器中心抽头接入),并借助外部终端电阻,将电流信号转换为可传输的电压信号。
(2)电压驱动型(Voltage-Mode Driver):
电压型PHY芯片内部等效为电压源,具备自主电压输出能力,可直接输出设定电平(如0V、3.3V),表示逻辑信号。
2.硬件设计差异
区分两类PHY电路、开展硬件设计的核心标志,是网络变压器中心抽头的接线方式。
(1)电流驱动型:
典型型号如:KSZ8721、DP83848、LAN8740、FCP1140/2/5
中心抽头必须连接到一个电源轨(AVDD或VCC),这个电源为PHY内部的电流驱动器提供偏置电压,形成电流回路。必须在PHY端的差分信号线对地之间连接终端匹配电阻(通常为49.9Ω),用于将电流信号转换为标准的电压信号,这些电阻应靠近PHY芯片放置。

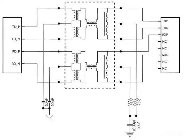
典型电流型PHY网口电路
(2)电压驱动型:
典型型号如:DP83826、ADIN1200、YT8522、JL1111
中心抽头通过一个电容接地。这个电容为高频信号提供一个低阻抗回路,并起到隔直流通交流的作用。相比于电流型PHY通常不需要在PHY端的差分信号线(TD+/TD-)之间额外添加终端匹配电阻,因为芯片内部通常已集成(具体仍需对比芯片手册说明或对比参考设计图)。

典型电压型PHY网口电路
3.应用差异与场景适配
·电压型PHY:适合消费电子、普通家用网络、短距离室内设备,主打低成本、易调试;
·电流型PHY:适合工业交换机、现场总线、车载以太网、物联网终端等严苛场景,主打强抗扰、低功耗、长距稳定。

二、方芯FCP114X系列电流型(PHY)优势
作为专为10/100M以太网设计的单芯片电流型PHY,FCP114X系列(FCP1140/FCP1142/FCP1145)完美承接了电流型PHY的核心优势,同时针对工业场景做了深度优化,把“稳”和“省”做到了极致。
1.应对复杂电磁环境
依托电流驱动的天然优势,FCP114X系列具备超强的共模噪声抑制能力,即便在工厂电机干扰、高压设备辐射、车载复杂线束环境中,也能保证100Mbps速率下无丢包传输。搭配HP Auto-MDIX自动翻转功能,直连网线、交叉网线无需手动切换,进一步提升部署灵活性;内置电缆诊断功能,可精准检测网线短路、断路及故障位置,减少现场运维成本。
2.节能与性能兼顾
电流型PHY通讯稳定性表现优异,FCP114X系列更是在此基础上做了精细化优化:
·兼容IEEE 802.3az节能以太网标准,空闲状态下自动降低功耗,完美适配电池供电、低功耗物联网终端;
·灵活电源架构,IO电压支持1.8V-3.3V宽范围适配,内置1.2V稳压器(可禁用),既支持单3.3V供电简化设计,也可外接高效电源进一步降低系统功耗;
·支持常规掉电、能量检测掉电(EDPD)多种低功耗模式,无数据传输时自动休眠,唤醒响应迅速。
3.适配严苛场景需求
FCP114X系列没有停留在基础通信层面,而是叠加了多项工业刚需功能:




