肖特基二极管与场效应管有什么区别?
肖特基二极管自从替代传统的普通的二极管后受到了用户的的青睐和喜欢,但是有些时候也会有傻傻分不肖的时候,肖特基二极管和场效应管有什么区别?
肖特基二极管是二极管,特点是低功耗、超高速、反向恢复时间极短、正向压降小,适合做整流电路;场效应管是三极管,特点是输入阻抗高、噪声小、功耗低、漏电流小,开关特性好,适合做放大电路或开关电路。
二极管与三极管完全是2种类型,不能相比,但同属电子元件类。
肖特基二极管和普通二极管或场效应管的外观还是多少有点相似的,用户在使用时会有所困惑也是难免的
如何区分场效应管和肖特基二极管
什么是场效应管

场效应管是场效应晶体管的简称,应为缩写为FET。场效应管通常分为两类:1)JFET和MOSFET。这两类场效应管都是压控型的器件。场效应管有三个电极,分别为:栅极G、漏极D和源极S。目前MOSFET应用广泛,JFET相对较少。MOSFET可以分为NMOS和pMOS,下图是pMOS的结构图、NMOS和MOSFET的电路符号图。
pMOS的结构是这样的:在N型硅衬底上做了两个p型半导体的p+区,这两个区分别叫做源极S和漏极D,在N型半导体的绝缘层上引出栅极G。NMOS的实物图和引脚分布如下图所示。
什么是肖特基二极管
肖特基二极管又叫势垒二极管,是由金属和半导体接触形成的二极管,其特点为:
反向恢复时间非常短,为ns级别;
正向导通压降非常低:为0.3-0.5V左右;

漏电流较大、反向击穿电压比较低;
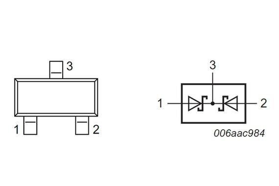
通常用在低压开关电源中,以肖特基二极管MBR30100为例,其实物图和结构图如下图所示。
该肖特基二极管有三个电极,其中一个公共端是阴极,由两个二极管共阴极构成。
关于场效应管的反向并接的二极管的问题
有些场效应管的规格书里原理图上标有一个稳压管符号,为了搞清楚其中的真正情况,我们抽取了几种有该二极管符号的样品进行检测试验,发现有以下两种情况:
1.实际是本体的寄生二极管;2.集成的肖特基二极管

前一种情况,估计是做文件时直接将其他文件中的图形复制过来所致。关于该本体二级管的特性,在规格书中应该有规格说明的。但请大家注意,是二极管而不是稳压管,不要被稳压管的图形搞晕了。
第二种情况,注意,是肖特基二极管,图中标注的符号也不对。有些元件有这样集成的情况,且在其参数表中一定有相关方面的参数说明,即:肖特基二极管的电压电流参数,大家在识别元件时应该注意相关的参数
另外还有一种可能,那就是标示的场效应管击穿区的稳压管特征。
当然,作为生产厂商,他们对场效应管的这种特性是不会做任何保障承诺的。所以规格书中一般没有其特性的说明和参数表。元件实际使用时也不能工作在该区域。
只是,对于不同厂商,元件的耐受能力是不同的,有些原件在超过击穿电压后,很容易就损坏了,而有些元件,可以耐受较高的击穿电流的冲击,而这,也在一些场合,决定了元件质量在用户心中的感觉。
表,并且,要注意和本体二极管参数的区别。如果无误,则说明确有并联的二极管,否则是图形错误。




